- НаличиеВ наличии
Опоры ТПР.08.38.00.000 предназначены для надежного крепления и поддержания трубопроводов различных систем, обеспечивая их стабильность и компенсацию температурных расширений. Широко применяются в промышленном и гражданском строительстве.
Конструкция опор гарантирует долговечность и устойчивость к нагрузкам, защищая трубопроводы от вибраций и деформаций. Это ключевой элемент для безопасной и бесперебойной эксплуатации магистралей.
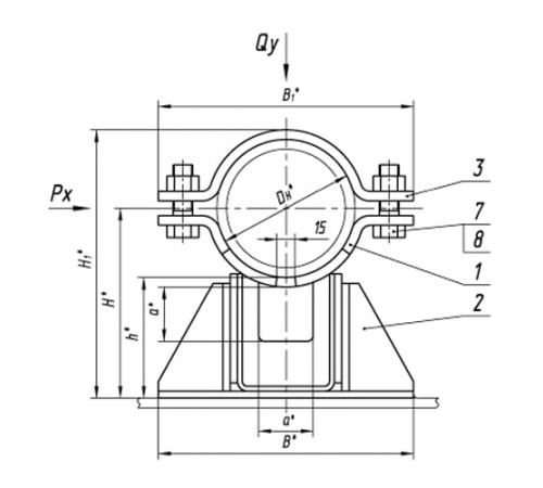
Изделия отличаются высоким качеством изготовления и соответствием техническим нормативам. Доступны различные варианты исполнения с наружным диаметром (Dн) 114, 168, 219, 273 и 325 мм, а также массой от 11,4 до 35,78 кг.
Мы предлагаем полный модельный ряд марок, включая ТПР.08.38.00.000-01...-14. Для юридических лиц доступен безналичный расчет, онлайн-заказ и оперативная доставка по всей Беларуси.
Нет отзывов об этом товаре.
Пока нет вопросов об этом товаре. Станьте первым!
