Оболочки на теплоизоляционные отводы в Пинске

Оболочки для теплоизоляционных отводов предназначены для защиты и герметизации теплоизоляции на поворотных участках трубопроводов. Они применяются в системах отопления, водоснабжения и промышленных коммуникациях, обеспечивая целостность изоляционного слоя на сложных участках трассы.

Использование специализированных оболочек значительно увеличивает срок службы теплоизоляции, предотвращает потери тепла и защищает от конденсата. Это ключевой элемент для энергоэффективности и бесперебойной работы инженерных систем.

Изделия производятся из высококачественного алюминия или оцинкованной стали, что гарантирует их прочность, долговечность и стойкость к коррозии. Они надежно фиксируют утеплитель и сохраняют его свойства.

Мы предлагаем полный набор решений для монтажа: оболочки на отводы 30, 45, 60 и 90 градусов. Это позволяет подобрать оптимальную конфигурацию для любого проекта и обеспечить аккуратный внешний вид трубопровода.

Оболочки на теплоизоляционные отводы 30 градусов
Цена по запросу
Оболочки на теплоизоляционные отводы 45 градусов
Цена по запросу
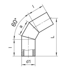
Оболочки на теплоизоляционные отводы 60 градусов
Цена по запросу
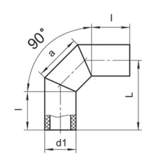
Оболочки на теплоизоляционные отводы 90 градусов
Цена по запросу
Показано с 1 по 4 из 4 (всего 1 страниц)